Полезные статьи
-
Увеличение срока службы ДВС
-
Управление задней стрелой
-
Вкладыши двигателя JCB
-
Двигатель Perkins 1104C-44, 1104C-44T
-
Поршень двигателя
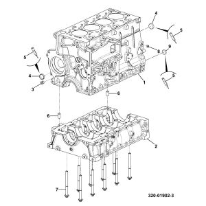
Болт заглушка JCB 320/04080
Характеристики товара
Производитель:
Европа
Модель:
JCB
Цвет:
Стальной
Материал:
Металл
Категории запчастей:
Двигатель
Склад:
Реутова
Доставка:
до Транспортной компании
Наличие:
50
Вес, кг:
0.1
Каталожный номер:
320/04080, 320-04080
250
₽




