Полезные статьи
-
Увеличение срока службы ДВС
-
Управление задней стрелой
-
Вкладыши двигателя JCB
-
Двигатель Perkins 1104C-44, 1104C-44T
-
Поршень двигателя
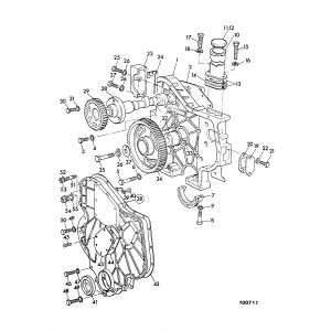
Сальник коленвала JCB 02/130051
Характеристики товара
Производитель:
Европа
Модель:
JCB
Цвет:
Чёрный
Материал:
Металл, резина
Категории запчастей:
Двигатель
Склад:
Реутова
Доставка:
до Транспортной компании
Наличие:
5
Вес, кг:
0.2
Каталожный номер:
02/130051, 02-130051, 02130051, 12014982B, 1447689M1, 184072C1, CR538147, RE70230, RE150318, 816921498, 133566, 295810A1, 02130051, 2415344, 2415344, F0331475, PP9157126, 11712659, VOE11712659, 6194307M1
900
₽



