Полезные статьи
-
Увеличение срока службы ДВС
-
Управление задней стрелой
-
Вкладыши двигателя JCB
-
Двигатель Perkins 1104C-44, 1104C-44T
-
Поршень двигателя
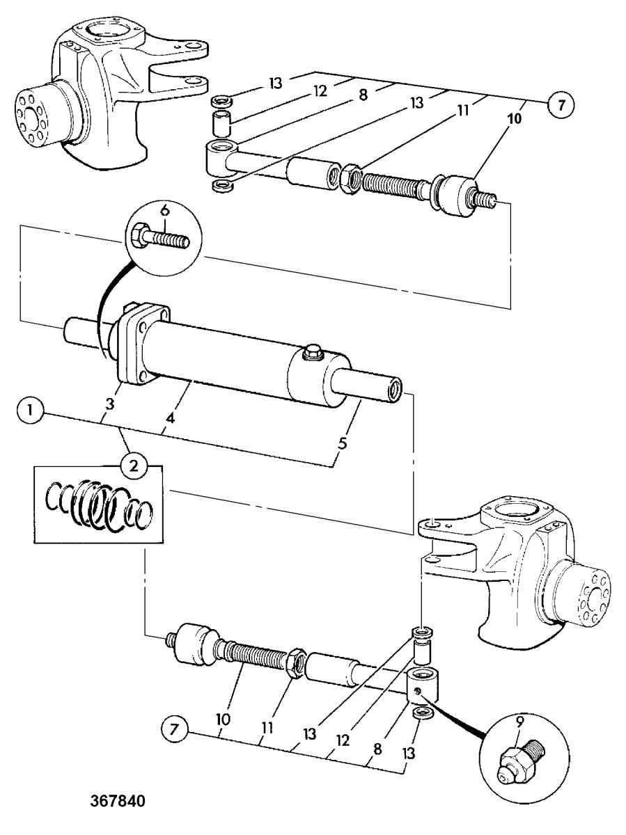
Тяга рулевая JCB 453/29000
Характеристики товара
Производитель:
Европа
Модель:
JCB
Цвет:
Стальной
Материал:
Металл, резина
Категории запчастей:
Трансмиссия
Склад:
Реутова
Доставка:
до Транспортной компании
Наличие:
50
Вес, кг:
2
Каталожный номер:
453/29000, LPT329000S, 453-29000
8 000
₽




