Полезные статьи
-
Увеличение срока службы ДВС
-
Управление задней стрелой
-
Вкладыши двигателя JCB
-
Двигатель Perkins 1104C-44, 1104C-44T
-
Поршень двигателя
Втулка JCB JLV1797
Характеристики товара
Производитель:
Европа
Модель:
JCB
Цвет:
Стальной
Материал:
Металл
Категории запчастей:
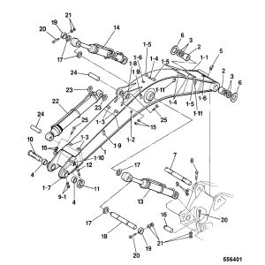
Рама
Склад:
Реутова
Доставка:
до Транспортной компании
Наличие:
5
Вес, кг:
3
Каталожный номер:
JLV1797, KLV0031, KLB0031
3 000
₽
Втулка JCB
JLV1797, KLV0031, KLB0031

Втулки — это износостойкие детали, которые используются в узлах трения и соединениях. Они служат для уменьшения износа и трения между движущимися частями, таких как шарниры, оси, пальцы и другие механизмы. Втулки играют важную роль в надежности и долговечности спецтехники.
Основные функции втулок:
1. Снижение трения: Обеспечивают плавность движения в подвижных соединениях.
2. Защита узлов от износа: Принимают на себя нагрузки, предотвращая повреждение основных деталей.
3. Устойчивость к нагрузкам: Справляются с большими механическими и ударными усилиями.
4. Легкость замены: Заменяются быстрее и дешевле, чем основной узел.
Применение втулок на спецтехнике:
1. Шарнирные соединения:
• На стрелах, ковшах и навесном оборудовании (экскаваторы, погрузчики).
2. Ходовая часть:
• Гусеницы, направляющие катки и звезды.
3. Подвеска и рулевое управление:
• Узлы крепления мостов, рычагов и тяги.
4. Гидравлические цилиндры:
• Втулки поршневых штоков и опорные втулки.
Виды втулок:
1. Металлические втулки:
• Изготавливаются из стали, бронзы или латуни.
• Применяются в узлах с высокими нагрузками.
2. Композитные (полимерные) втулки:
• Из материалов с низким коэффициентом трения.
• Легкие, устойчивы к коррозии.
3. Сухие скольжения:
• Используются без смазки, подходят для узлов с ограниченным обслуживанием.
4. Втулки с твердосплавным напылением:
• Устойчивы к абразивному износу и высоким температурам.
5. Самосмазывающиеся втулки:
• Содержат смазку внутри материала, не требуют дополнительного обслуживания.
Материалы для втулок:
1. Сталь с закалкой:
• Для высокой прочности и износостойкости.
2. Бронза и латунь:
• Устойчивы к коррозии и трению.
3. Полимеры (полиамид, фторопласт):
• Легкость, стойкость к химическим веществам.
4. Композитные материалы:
• Комбинация металла и полимеров для улучшенных характеристик.
Признаки износа втулок:
1. Люфт в соединениях:
• Указывает на износ втулки или сопряженного пальца.
2. Стуки и шумы:
• Возникают из-за свободного хода деталей.
3. Снижение точности работы оборудования:
• Люфты мешают точному управлению механизмами.
4. Повреждение сопряженных деталей:
• Износ втулки может повредить ось или палец.
Обслуживание втулок:
1. Регулярная смазка:
• Увеличивает срок службы металлических втулок.
2. Осмотр соединений:
• Проверяйте люфты и состояние поверхности втулок.
3. Своевременная замена:
• Не допускайте разрушения втулки, это может повредить узел.
4. Использование оригинальных деталей:
• Продлевает срок службы оборудования.
Подбор втулок:
Для правильного выбора втулок важно знать:
1. Модель спецтехники:
• Например, JCB, Caterpillar, Komatsu.
2. Размеры:
• Внутренний и внешний диаметры, длина.
3. Тип работы:
• Условия эксплуатации и уровень нагрузок.
4. Материал втулки:
• Для стандартных или тяжелых условий работы.
Похожие товары
Вы недавно смотрели:



