Полезные статьи
-
Увеличение срока службы ДВС
-
Управление задней стрелой
-
Вкладыши двигателя JCB
-
Двигатель Perkins 1104C-44, 1104C-44T
-
Поршень двигателя
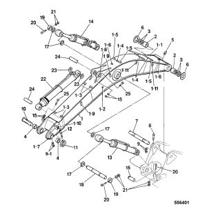
Втулка стрелы JCB JRV0597
Характеристики товара
Производитель:
Европа
Модель:
JCB
Цвет:
Стальной
Материал:
Металл
Категории запчастей:
Рама
Склад:
Реутова
Доставка:
до Транспортной компании
Наличие:
50
Вес, кг:
1,5
Каталожный номер:
JRV0597, KRV1133
3 500
₽





