Полезные статьи
-
Увеличение срока службы ДВС
-
Управление задней стрелой
-
Вкладыши двигателя JCB
-
Двигатель Perkins 1104C-44, 1104C-44T
-
Поршень двигателя
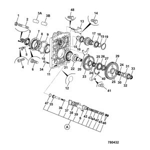
Подшипник JCB 10/906506
Характеристики товара
Производитель:
Европа
Модель:
JCB
Цвет:
Стальной
Материал:
Металл
Категории запчастей:
Трансмиссия
Склад:
Реутова
Доставка:
до Транспортной компании
Наличие:
5
Вес, кг:
0.5
Каталожный номер:
10/906506, 10-906506
4 500
₽




