Полезные статьи
-
Увеличение срока службы ДВС
-
Управление задней стрелой
-
Вкладыши двигателя JCB
-
Двигатель Perkins 1104C-44, 1104C-44T
-
Поршень двигателя
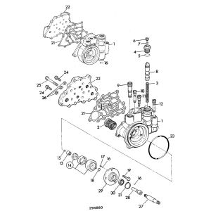
Подшипник JCB 10/909228
Характеристики товара
Производитель:
Европа
Модель:
JCB
Цвет:
Стальной
Материал:
Металл
Категории запчастей:
Трансмиссия
Склад:
Реутова
Доставка:
до Транспортной компании
Наличие:
5
Вес, кг:
0.2
Каталожный номер:
10/909228, 10-909228
1 000
₽




